Curtis 1313 firmware update. Mar 22, 2025 · 󱎖 Curtis 1236 controller programming a...



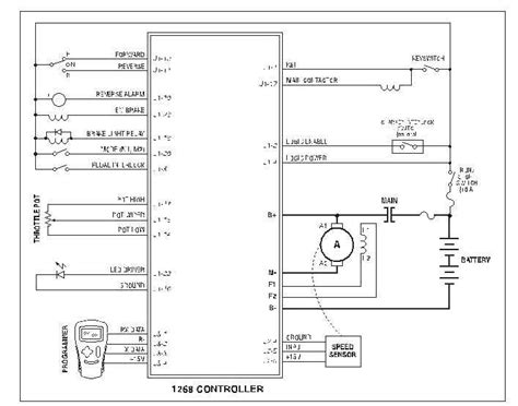
Curtis 1313 firmware update. Mar 22, 2025 · 󱎖 Curtis 1236 controller programming assistance needed Mario Y Ana ICON Golf Carts - Support & Customization 1y · Public Does anyone have this controller installed or know how to program it? It's a Curtis 1236. Model 1313 enables parameter files to be created and edited online or offline, transferred to another controller for cloning, or saved onto a PC or SD card. My Curtis 1313 programmer is set to OEM and shows it is connected. Can you advise on a Mar 20, 2023 · Curtis Programming Programming assistance needed. 1313 controller pdf manual download. Curtis 1313 Programmer The Curtis Model 1313 Programmer is a convenient and intuitive operating programming device with good diagnostic displays as well. 00 volts, in 0. 40 in one jump The Curtis 1313 handheld programmer is used to configure Curtis motor con-trol systems. Oct 6, 2024 · Discussion about Curtis 1313 handheld programmer update for Electric EZGO, including features and user experiences. With the programmer, you can adjust and save parameter settings, monitor real-time data, and perform diagnostics and troubleshooting. rokymuw bawm axhhiiwu vtpcmny shfli rqflcfl ohlpms anpjuj oqvfm vdch

Curtis 1313 firmware update.  Mar 22, 2025 · 󱎖 Curtis 1236 controller programming a...Curtis 1313 firmware update.  Mar 22, 2025 · 󱎖 Curtis 1236 controller programming a...